|
 Product Links 
|
|

Inside SRI

|
| SRI-Newsletter |
 |
Subscribe to our newsletter to receive monthly specials, manufacturer's feature, and electronics news via email. |
|
|
|
See Our latest release of SRI-Newsletter here
|
|
View Our List of Archived Newsletter Articles
|
|

SRI Links

|
|
Visit our Sister Site,
 Distributor of Industrial Products
| |
|
Web Search .. Powered by;
|
|
 |
 |
|
 |
 |
R73 Series
Subminiature, PC Mount, 10 Amp, SPST-NO & SPDT Relay, for Security and Telecommunication Equipment
 |
Features
Small SizeEpoxy SealedStandard Pin SpacingLatching Type
|

Electrical Characteristics
Contact
Rating: 10 Amp at 120VAC/28VDC
Material: Silver Cadmium Oxide
Resistance: 0.05 Ohm (At Nominal Conditions)
Coil
Coil Voltages: See Chart
Pick-up Voltages: 70% max of rated voltage
Drop-out Voltages: 10% min of rated voltage
Resistance: See chart
Operational Characteristics
Timing Values:
Operate Time: 5mS max
Release Time: 10mS max
Insulation Characteristics
Dielectric Strength:
Between Contact & Coil: 1500 VAC
Between Contacts: 750 VAC
Insulation Resistance: 100 megohms
Environmental Characteristics
Operating: -55°C to +85°C
Life
Mechanical: 100,000 operations
Electrical: 10,000,000 operations
Weight
Std: 0.39 ozs. (11 grams) - approx
Back to Top

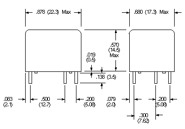
Dimensional Drawings
D49
Contact Arrangment
SPST-NO, 1 Form "A"
 |
SPDT, 1 Form "C"
 |
Mounting Holes (Bottom View)
 |
Back to Top

Part Numbers
| DC OPERATED |
| NTE Type No. |
Nom. Volt. |
Contact Arr. |
Coil Res. ±10% Ohms (Typ) |
Approx. Nom. Power |
Max. Contact Cur, @ 28VDC or 120VAC |
Diag. No. |
| R73-1D10-3 |
3VDC |
SPST-NO |
20 |
450mW |
10A |
D49 |
| R73-1D10-5/6 |
6VDC |
SPST-NO |
80 |
450mW |
10A |
D49 |
| R73-1D10-12 |
12VDC |
SPST-NO |
320 |
450mW |
10A |
D49 |
| R73-1D10-24 |
24VDC |
SPST-NO |
1280 |
450mW |
10A |
D49 |
| R73-5D10-3 |
3VDC |
SPDT |
20 |
450mW |
10A |
D49 |
| R73-5D10-5/6 |
6VDC |
SPDT |
80 |
450mW |
10A |
D49 |
| R73-5D10-12 |
12VDC |
SPDT |
320 |
450mW |
10A |
D49 |
| R73-5D10-24 |
24VDC |
SPDT |
1280 |
450mW |
10A |
D49 |
Back to Top
|
**Specifications subject to changes**
[Go to Search] [Back]
|
|
|
|