Sunday, April 12, 2026     
     Serving the Electronic Industries for Over 33 Years
Meltric interconnect Multi-pins connectors plugs and receptacles logo
Renata Lithium Button Coin Cells Batteries logo
xytronic Soldering and Desoldering Tools Logo
Nemco Capactitors Loco
     Electronic Components Distributor Logo                        
 Home
  |  View Account   |    Engineer's Corner    |  Contact Us  |  Cross Reference  |  Line Card  |  0 Item
Part Search
NTE Cross Ref. Search
Login
SRI Live Chat Help
call us email us contact us

Product Links

Inside SRI

About SRI
Contact Us
Careers
Link to Us!
Feedback

SRI-Newsletter
Subscribe to our newsletter to receive monthly specials, manufacturer's feature, and electronics news via email.

See Our latest release of SRI-Newsletter here

View Our List of Archived Newsletter Articles


SRI Links

Visit our Sister Site,

Distributor of

Industrial Products

  Web Search ..
  Powered by;

 Reed Relays, R42 Series

R42 Series
General Purpose, 500mA, DC, SPST-NO, SIP Reed Relays

 Features
  • VDC versions compatible to operate directly from TTL
    or DTL circuits
  • Internal clamping diode
  • Flame retardent epoxy package
  • PC mountable
  • Electrical Characteristics Contact
    Contact Rating: 0.5 Amp switching current max.
    1.5 Amp carry current max.
    Contact Resistance: 200 milliohms max. initial

    Coil
    Coil Voltages: See Chart
    Pick-up Voltages: See Chart
    Drop-out Voltage: See Chart

    Operational Characteristics
    Timing Value:
                 Operate Time: 330 µS at nominal voltage
                 Release Time: 150 µS at nominal voltage

    Insulation Characteristics
    Dielectric Strength:
                 Contact to Contact: 1000 VDC
                 Across Open Contacts: 200 VDC

    Environmental Characteristics
    Operating: -45°C to +85°C
    Storage: -60°C to +105°C

    Capacitance
    Across Open Contacts: 1pF
    Open Contacts to Coil: 2pF

    Life
    Mechanical: 5 x 106 (50,000,000) with appropriate contact protection

    Back to Top

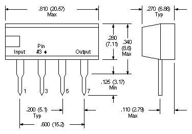
    Dimensional Drawings

    D20

    Back to Top

    Part Numbers
    DC OPERATED
    NTE Type No. Nom.
    Voltage
    Contact
    Arr.
    Coil
    Res.
    Ohms
    Typ
    Nom.
    Power
    Max.
    Cont.
    Max.
    Pick
    Up
    Min.
    Drop
    Out
    Diag.
    No.
    R42-1D.5-6 5/6VDC SPST-NO 500 50mW 0.5A 3.8VDC 0.5VDC D20
    R42-1D.5-12 12VDC SPST-NO 1870 77mW 0.5A 9VDC 1VDC D20
    R42-1D.5-24 24VDC SPST-NO 3200 180mW 0.5A 18VDC 2VDC D20

    Back to Top


    **Specifications subject to changes**
    [Go to Search] [Back]


    Page Links

    Electrical Characteristics

    Dimensional Drawings

    Part Numbering



    Back