Friday, April 10, 2026     
     Serving the Electronic Industries for Over 33 Years
Quabbin Cables & Wires logo
Bourns Potentiometers logo
nichifu Solderless Terminal & Connectors Logo
Sycom Surge Suppression Devices& UPS
     Electronic Components Distributor Logo                        
 Home
  |  View Account   |    Engineer's Corner    |  Contact Us  |  Cross Reference  |  Line Card  |  0 Item
Part Search
NTE Cross Ref. Search
Login
SRI Live Chat Help
call us email us contact us

Product Links

Inside SRI

About SRI
Contact Us
Careers
Link to Us!
Feedback

SRI-Newsletter
Subscribe to our newsletter to receive monthly specials, manufacturer's feature, and electronics news via email.

See Our latest release of SRI-Newsletter here

View Our List of Archived Newsletter Articles


SRI Links

Visit our Sister Site,

Distributor of

Industrial Products

  Web Search ..
  Powered by;

 General Purpose Relays, R12 Series

R12 Series
General Purpose, 1 Amp, 3 Amp & 5 Amp, DPDT, 3PDT & 4PDT AC & DC Relays

 Features
  • Slightly larger than one cubic inch
  • See-thru plastic cover
  • Plug-in or solder terminal
  • PC board mount (P-suffix)
  • Indicator lamp types (N-suffix)
  • Hermetically sealed, metal enclosure types (H-suffix)
  • Push-to-test button types (B-suffix)
  • Bifurcated contact type (T-suffix)
  • High reliability, 50 million operations
  • RED indicates new device
  • Electrical Characteristics Contact
    Contact Rating: 5 Amp @ 240VAC/28VDC, 3 Amp @ 240VAC/28VDC, 1 Amp @ 240VAC/28VDC
    Contact Material: Silver cad-oxide, Silver w/gold flashing (T-type ONLY)
    Contact Resistance: 100 milliohms max. @ 6VDC, 1A

    Coil
    Coil Voltages: See Chart
    Pick-up Voltages:
                 80% of nominal or less for AC
                 75% of nominal or less for DC
    Resistance: See chart
    Min Sensitivity: 500mW DC .75 volt Amps (60Hz)
    Duty Cycle: Continuous

    Operational Characteristics
    Timing Values (At nominal coil voltage):
                 Operate Time: 25mS or less
                 Release Time: 25mS or less

    Insulation Characteristics
    Dielectric Strength:
                 Contact to Coil: 1500 VRMS (50/60Hz)
                 Across Open Contacts: 1000 VRMS (50/60Hz)
                 Coil to Frame: 1500 VRMS (50/60Hz)
                 Insulation Resistance: 100 megohms Min @ 500VDC

    Environmental Characteristics
    Operating: -30°C to +55°C

    Weight
    Std: 1.5 ozs. (45 grams) - approx

    Back to Top

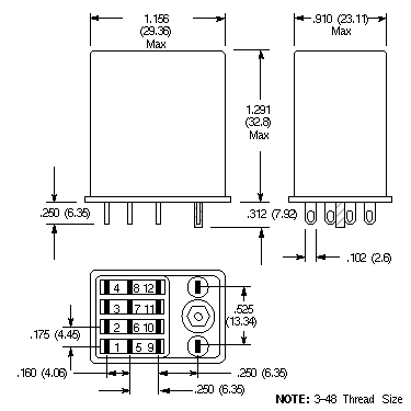
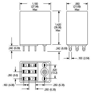
    Dimensional Drawings D22
    D32

    Back to Top

    Contact Arrangment
    (Viewed from Pin end of Plug)

    DPDT,
    2 Form "C"
    3PDT,
    3 Form "C"
    4PDT,
    4 Form "C"

    Back to Top

    Part Numbers
    AC OPERATED
    NTE Type No. Nom.
    Voltage
    Contact
    Arr.
    Coil
    Res.
    Ohms
    (Typ)
    Nom.
    Power
    Max.
    Contact
    Cur. @
    28VDC
    or
    120VAC
    Diag.
    No.
    R12-11A5-12 12VAC DPDT - 1.2VA 5A D8
    R12-11A5-24 24VAC DPDT - 1.2VA 5A D8
    R12-11A5-120 115VAC DPDT - 1.2VA 5A D8
    R12-11A5-240 240VAC DPDT - 1.2VA 5A D8
    R12-14A5-12 12VAC 3PDT - 1.2VA 5A D32
    R12-14A5-24 24VAC 3PDT - 1.2VA 5A D32
    R12-14A5-120 120VAC 3PDT - 1.2VA 5A D32
    R12-17A5-24H 24VAC 4PDT - 1.2VA 3A D22
    R12-17A5-24N 24VAC 4PDT - 1.2VA 3A D8
    R12-17A5-120H 115VAC 4PDT - 1.2VA 3A D22
    R12-17A5-120N 115VAC 4PDT - 1.2VA 3A D8
    R12-17A3-12 12VAC 4PDT - 1.2VA 3A D8
    R12-17A3-12B 12VAC 4PDT - 1.2VA 3A D8
    R12-17A3-12P 12VAC 4PDT - 1.2VA 3A D9
    R12-17A3-12T 12VAC 4PDT - 1.2VA 1A D8
    R12-17A3-24 24VAC 4PDT - 1.2VA 3A D8
    R12-17A3-24B 24VAC 4PDT - 1.2VA 3A D8
    R12-17A3-24P 24VAC 4PDT - 1.2VA 3A D9
    R12-17A3-24T 24VAC 4PDT - 1.2VA 1A D8
    R12-17A3-120 120VAC 4PDT - 1.2VA 3A D8
    R12-17A3-120B 120VAC 4PDT - 1.2VA 3A D8
    R12-17A3-120P 120VAC 4PDT - 1.2VA 3A D9
    R12-17A3-120T 120VAC 4PDT - 1.2VA 1A D8
    R12-17A3-240 240VAC 4PDT - 1.2VA 3A D8
    DC OPERATED
    R12-11D5-12 12VDC DPDT 160 0.9W 5A D8
    R12-11D5-24 24VDC DPDT 650 0.9W 5A D8
    R12-14D5-6 6VDC 3PDT 40 0.9W 5A D32
    R12-14D5-12 12VDC 3PDT 160 0.9W 5A D32
    R12-14D5-24 24VDC 3PDT 650 0.9W 5A D32
    R12-17D5-12H 12VDC 4PDT 160 0.9W 3A D22
    R12-17D5-12N 12VDC 4PDT 160 0.9W 3A D8
    R12-17D5-24H 24VDC 4PDT 650 0.9W 3A D22
    R12-17D5-24N 4PDT 650 0.9W 3A D8
    R12-17D3-6 6VDC 4PDT 40 0.9W 3A D8
    R12-17D3-6P 6VDC 4PDT 40 0.9W 3A D9
    R12-17D3-12 12VDC 4PDT 160 0.9W 3A D8
    R12-17D3-12B 12VDC 4PDT 160 0.9W 3A D8
    R12-17D3-12P 12VDC 4PDT 160 0.9W 3A D9
    R12-17D3-12T 12VDC 4PDT 160 0.9W 1A D8
    R12-17D3-24 24VDC 4PDT 650 0.9W 3A D8
    R12-17D3-24B 24VDC 4PDT 650 0.9W 3A D8
    R12-17D3-24P 24VDC 4PDT 650 0.9W 3A D9
    R12-17D3-24T 24VDC 4PDT 650 0.9W 1A D8
    R12-17D3-48 48VDC 4PDT 2600 0.9W 3A D8
    R12-17D3-110 110VDC 4PDT 11000 0.9W 3A D8

    ACCESSORIES
    Mounting Styles Description NTE Type No.
    Surface Mount 14-Pin Blade R95-106A
    Surface Mount 8-Pin Blade R95-150
    Panel Mount 14-Pin Blade R95-122
    Panel Mount 8-Pin Blade R95-148
    PC Mount 14-Pin Blade R95-107
    PC Mount 8-Pin Blade R95-149
    DIN Rail Mount 14-Pin Blade R95-117

    Back to Top


    **Specifications subject to changes**
    [Go to Search] [Back]


    Page Links

    Electrical Characteristics

    Dimensional Drawings

    Part Numbering



    Back