Monday, April 6, 2026     
     Serving the Electronic Industries for Over 33 Years
Meltric interconnect Multi-pins connectors plugs and receptacles logo
Renata Lithium Button Coin Cells Batteries logo
PRP Resistor Logo
Dantona Recharable batteries Logo
     Electronic Components Distributor Logo                        
 Home
  |  View Account   |    Engineer's Corner    |  Contact Us  |  Cross Reference  |  Line Card  |  0 Item
Part Search
NTE Cross Ref. Search
Login
SRI Live Chat Help
call us email us contact us

Product Links

Inside SRI

About SRI
Contact Us
Careers
Link to Us!
Feedback

SRI-Newsletter
Subscribe to our newsletter to receive monthly specials, manufacturer's feature, and electronics news via email.

See Our latest release of SRI-Newsletter here

View Our List of Archived Newsletter Articles


SRI Links

Visit our Sister Site,

Distributor of

Industrial Products

  Web Search ..
  Powered by;

 Hasco Electrmechanical Relays

Sub Mniature Relays/Automotive Relays P.C. Toard Type
CARB Series
Sub Mniature Relays/Automotive Relays P.C. Toard Type CARB Series image
SPECIFICATIONS
Operate Time 15 msec max
Release Time 10 msec max
Breakdown Voltage 1000V AC (60HZ) for 1 min between open contacts
1500V AC (60HZ) for 1 min between coil and contacts
Insulation Resistance More than 100MOhms at 500 V DC
Shock Resistance 10G min
Ambient Temperature N -40ºC ~ +85ºC
H -55ºC ~ + 125ºC
Operating Speed 1800 operations/hour
Life Mechanical Over 10,000,000 operations
Electrical Over 100,000 operations
Weight Approx. 18~19g

COIL RATINGS
Rated
Voltage
Resistance
(+/-10% at 20C)
Rated Current
(+/-10% at 20C)
Pick-up
Voltage
(Max)
Drop-out
Voltage
(Min)
Allowable
Voltage
(Max)
Rated
Operating Power
Consumption
12V DC 90 ohm 133mA 9.6V 1.2V 14.4V 1.6W
24V DC 380 ohm 63mA 19.2V 2.4V 28.8V 1.5W
48V DC 2300 ohm 21mA 38.4V 4.8V 57.6V 1.0W

CONTACT RATINGS
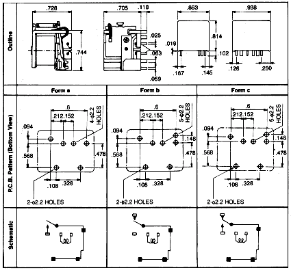
Type & Arrangement 1 Form A 1 Form B 1 Form C
  Load
Item R Load
(p.f. = 1)
L Load
(p.f. = 0.4)
R Load
(p.f. = 1)
L Load
(p.f. = 0.4)
R Load
(p.f. = 1)
L Load
(p.f. = 0.4)
Rated Load NC - - 15A 250V AC
15A 28V DC
7.5A 240V AC
7.5A 28VV DC
15A 240V AC
15A 28V DC
7.5A 240V AC
7.5A 28V DC
NO 30A 240V AC
30A 28V DC
15A 240V AC
15A 28V DC
- - 20A 240V AC
20A 28V DC
10A 240V AC
10A 28V DC
Carry Current 30A 15A 20A
Max operating Vol 380V AC 120V DC
Max operating Current 30A 15A 20A
Max switching
capacity
NC - - 3600VA
420W
1800VA
210W
3600VA
420W
1800VA
280W
NO 7200VA
840W
3600VA
420W
- - 4800VA
560W
2400VA
280W
Material Ag Alloy
Contact Resistance Less than 50mOhms (at initial value)


Part Builder and Ordering Information
CARB

Sample Ordering Information
Ordering Information

DIMENSIONS AND SCHEMATICS

Dimensions
Dimensions


**Specifications subject to changes**
[Go to Search] [Back]

 
 

Page Links


Back